河南省恒信锅炉制造有限公司恒久致远 诚信至上










适用燃料
生物质
可选额定蒸发量
热效率
81%
应用范围
机关单位,车间厂房,供暖生活用水,烘干杀青,高温杀菌,食品生产,道路修建,制衣熨衣,冶炼铸造,新材料制造等
123
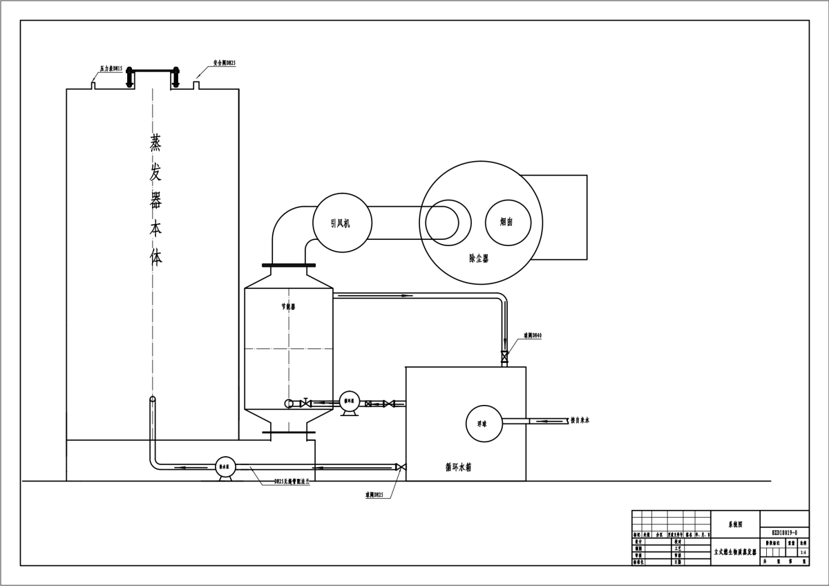
内部设计结构合理
多重连锁安全保护功能
保证产品质量
免办证 免年检
自动给水 自动调节负荷
通电通水 供应燃料 即可运行
Copyright @ 2011-2022 河南省恒信锅炉制造有限公司 豫ICP备18018729号-40 XML地图
技术支持:网站模板
扫一扫咨询微信客服